Email: info@isc-automation.vn Điện Thoại: 090 984 1025
Chương trình demo chi tiết cách kết nối, cài đặt, vận hành cho ứng dụng servo điều khiển vị trí được điều khiển phát xung bởi plc Delta.
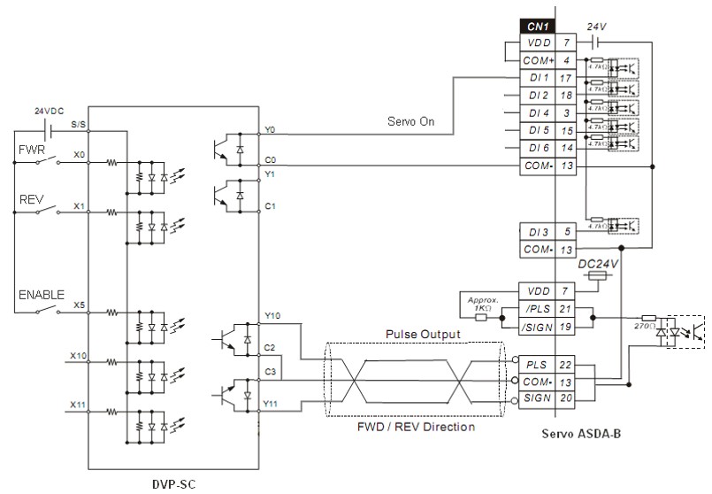
Sơ đồ kết nối

Cài đặt::
•P1-00 = 2 (Pulse + Direction)
•P1-01 = 0 (Position Control Mode)
•P2-10 = 101 (Servo On)


Nguyên lý hoạt động:
•Nhấn ENABLE cho phép Servo On
•Nhấn FWR để Servo quay thuận 45o
•Nhấn REV để Servo quay nghịch 45o
+ Y0: tín hiệu Servo On
+ Y10: tín hiệu điều khiển góc quay
+ Y11: tín hiệu điều khiển chiều

Chương trình PLC:

Ý nghĩa câu lệnh PLC:

•S1: số xung ngõ ra. PLC-SC hỗ trợ câu lệnh 32bit (-2,147,483,648 ~ +2,147,483,647). Dấu +/- xác định cho hướng thuận/nghịch.
•S2: tần số xung ngõ ra. PLC-SC tần số phát xung từ 100 ~ 100,000Hz.
•D1: ngõ ra phát xung. Khai báo phụ thuộc vào model PLC.

•D2: ngõ ra xác định hướng. Hoạt động ngõ ra này phụ thuộc vào S1. Khi S1 là “+” thì D2 sẽ On, khi S1 là “-” thì D2 sẽ Off.
Địa chỉ:
Email:
Phone:
Kinh Doanh: Mrs Thu 090 955 9161
Kỹ Thuật: Mr Duy 090 984 1025
Đăng ký Email để nhận những thông tin mới nhất từ chúng tôi !